Digitales Überstromrelais mit Spannungsschutz und 3×3-stelliger LED-Anzeige TRM-30F
Abholverfügbarkeit konnte nicht geladen werden
|
Überstrom-Überwachungsrelais TRM-30F mit Display, 3-phasig bis 25A Es dient dem Schutz von Geräten, die empfindlich auf Betriebsstrom- und Spannungswerte reagieren, vor Fehlern, die aufgrund von:
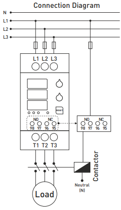
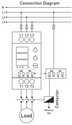
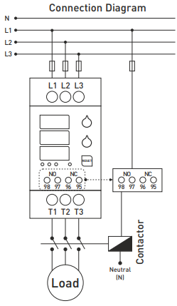
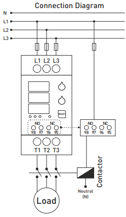
Das digitale Überstromrelais TRM-30F mit Display ermöglicht die Anzeige des Stroms in jeder Phase und den Schutz des Motors oder Geräts vor Überstrom, Überspannung, Unterstrom, Phasenausfall und Phasenumkehr. Diese digitalen Überlastrelais sind so konzipiert, dass sie Schäden am Motor/an der Last durch hohe Ströme verhindern und gleichzeitig die Überwachung des Stroms in jeder Phase auf dem Display ermöglichen. Sie sind auch in der Lage, die kumulierten Spannungswerte zwischen den Phasen zu überprüfen. Mit zwei Ausgangsrelais (1x NO, 1x NC) ist es außerdem möglich, die Last zu steuern oder abzuschalten, wenn der Überstrom einen eingestellten Wert erreicht, oder einen Meldekontakt zum Steuersystem einzuschalten. Die TRM-xx Digitalrelais haben eingebaute Stromwandler und ein 3x3-stelliges Display zur Stromanzeige. Anwendung und Funktionsweise
Treiber
Zustand des Kontakts
LED-Anzeige
Funktion der "V/A/RESET"-Taste
Schutz und Funktionsprinzip 1) Überstromschutz (0,5-30 A):
2. Schutz gegen Stromunsymmetrie:
3. Überspannungsschutz (U>440 V):
4. Unterspannungsschutz (U<265 V):
5. Schutz gegen Spannungsasymmetrie:
6. Phasenfolge-Schutz:
Berechnung der Stromasymmetrie Das Gerät berechnet die Asymmetrie nach der folgenden Formel:
Beispiel: ((25 - 15) / 25) × 100 = 40% Stromunsymmetrie. Technische Daten
|
Online-Zahlung per Karte – Nach Abschluss der Bestellung werden Sie zum Zahlungsportal weitergeleitet. Eine Zahlungsbestätigung erhalten Sie per E-Mail.
Nachnahme – Sie zahlen den Betrag laut Zahlungsanweisung direkt an den Fahrer des Transportunternehmens.
Überweisung – Sie erhalten spätestens am nächsten Werktag eine Proforma-Rechnung per E-Mail. Darin finden Sie die Kontonummer, die Sie bei der Zahlung angeben.
Auf Rechnung – Diese Zahlungsmethode steht Partnern zur Verfügung, die mit unserem Unternehmen einen Rahmenvertrag abgeschlossen haben.
Wenn Sie eine der letzten beiden Zahlungsmethoden nutzen möchten, kontaktieren Sie bitte unseren Manager. Er gibt Ihnen Anweisungen, wie Sie eine Rechnung mit oder ohne MwSt. erhalten können.
Die von uns gelieferten elektrischen Geräte entsprechen hohen Qualitätsstandards, haben eine Garantie von 24 Monaten und erfüllen alle Anforderungen der EU. Im Reklamationsfall wird keine Rücksendegebühr erhoben.
