Digitales Überstromrelais mit 3×3-stelliger LED-Anzeige TRM-300
Abholverfügbarkeit konnte nicht geladen werden
|
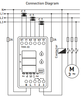
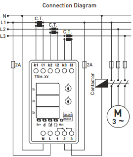
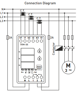
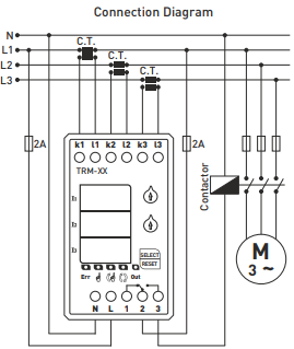
Drehstromrelais zur Laststromregelung/-begrenzung im Bereich 190-300 A, Hersteller TENSE (Türkei) Die digitalen Überstromrelais TRM-300 wurden entwickelt, um Lasten vor Schäden durch hohe Ströme zu schützen und gleichzeitig die Überwachung des Betriebs zu ermöglichen. - 190-300 A (einstellbarer Überstromwert) Verwendung des Geräts und Funktionsprinzip
Beim Einschalten des Geräts: Das elektronische Stromrelais der Serie TRM-300 dient zur automatischen Abschaltung von Geräten bei Überschreitung des maximal zulässigen Stroms. Modi zurücksetzen: - Manueller Modus: Nach einem Überstromfehler muss das Gerät durch Drücken der Reset-Taste zurückgesetzt werden. In diesem Modus leuchtet die entsprechende LED. Hinweis: Um den Modus zu ändern, halten Sie die SELECT-Taste 10 Sekunden lang gedrückt. Wenn der Modus geändert wird, leuchtet die entsprechende LED auf. Asymmetrie 50% (fest) Wenn die Differenz zwischen dem größten und dem kleinsten Phasenstrom 50 % übersteigt, geht das Gerät innerhalb von 2 Sekunden in den Asymmetrie-Fehlermodus über. Während eines Asymmetriefehlers: Technische Parameter: - Betriebsspannung: 150-260 VAC.
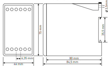
Hinweis: Die Modelle TRM-50, TRM-100, TRM-200 und TRM-300 können nur mit den mitgelieferten Stromwandlern verwendet werden. Das TRM-400 kann mit einem 400/5 Stromwandler verwendet werden.
Grundlegendes
|
Online-Zahlung per Karte – Nach Abschluss der Bestellung werden Sie zum Zahlungsportal weitergeleitet. Eine Zahlungsbestätigung erhalten Sie per E-Mail.
Nachnahme – Sie zahlen den Betrag laut Zahlungsanweisung direkt an den Fahrer des Transportunternehmens.
Überweisung – Sie erhalten spätestens am nächsten Werktag eine Proforma-Rechnung per E-Mail. Darin finden Sie die Kontonummer, die Sie bei der Zahlung angeben.
Auf Rechnung – Diese Zahlungsmethode steht Partnern zur Verfügung, die mit unserem Unternehmen einen Rahmenvertrag abgeschlossen haben.
Wenn Sie eine der letzten beiden Zahlungsmethoden nutzen möchten, kontaktieren Sie bitte unseren Manager. Er gibt Ihnen Anweisungen, wie Sie eine Rechnung mit oder ohne MwSt. erhalten können.
Die von uns gelieferten elektrischen Geräte entsprechen hohen Qualitätsstandards, haben eine Garantie von 24 Monaten und erfüllen alle Anforderungen der EU. Im Reklamationsfall wird keine Rücksendegebühr erhoben.
