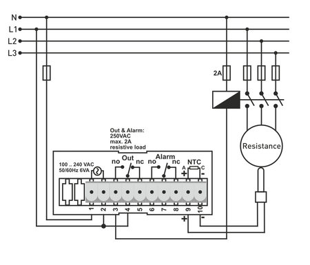
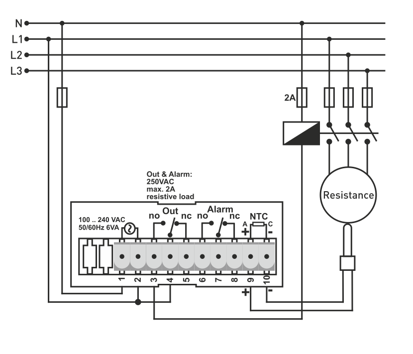
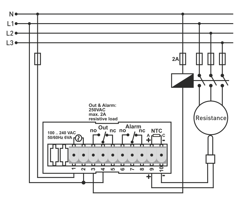
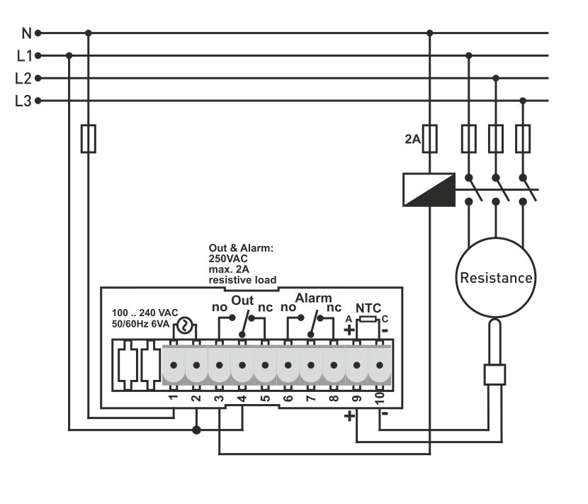
Temperature controller for panel installation ON - OFF with external sensor
Failed to load pickup availability
Thermostat / 2-point temperature controller for panel mounting in ON-OFF operation,
Thermostat with external sensor, measuring range -30ºC ...+150ºC, resolution / step size 1ºC (made in Turkey, TENSE) DT-321
Control and monitoring of thermal processes in heating, air conditioning, and ventilation systems, building automation, industrial plants.
Sensor type: NTC
Relay outputs OUT and ALARM (NO+NC) 250VAC, 2A
Optional heating and cooling function
- Hysteresis
Adjustable ON/OFF timers for output OUT in case of sensor failure
- Protection against compression through adjustable shut-off times
Upper and lower limits for SET and ALARM settings
Adjustable separate hysteresis for SET and ALARM settings
Switch-on delay for OUT in cooling operation
EEPROM memory for storing settings
Password protection
High precision
This simple temperature controller can be used with the three sensor types presented on our website.
Online payment by card – After completing your order, you will be redirected to the payment portal. You will receive a payment confirmation via email.
Cash on delivery – You pay the amount according to the payment order directly to the transport company driver.
Bank transfer – You will receive a pro forma invoice by email no later than the next business day. This invoice contains the account number, which you will provide when making the payment.
On account – This payment method is available to partners who have concluded a framework agreement with our company.
If you would like to use one of the last two payment methods, please contact our manager. They will provide you with instructions on how to obtain an invoice with or without VAT.
The electrical appliances we supply meet high quality standards, come with a 24-month warranty, and comply with all EU requirements. In the event of a complaint, no return shipping fee is charged.
