RGT-MT18 - Reactive power controller 18 steps +TCR with RS485 ModBus
Failed to load pickup availability
18-step + TCR reactive power controller for symmetrical/asymmetrical grids with 5-inch touchscreen and RS-485 (TENSE)
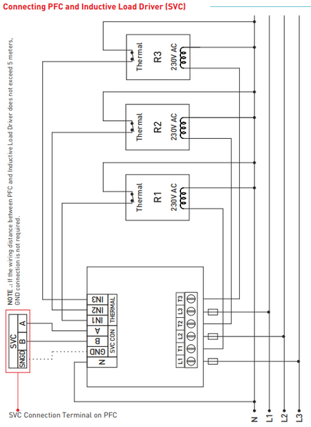
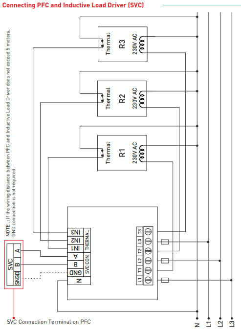
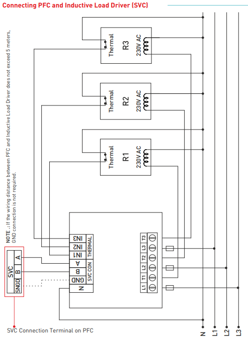
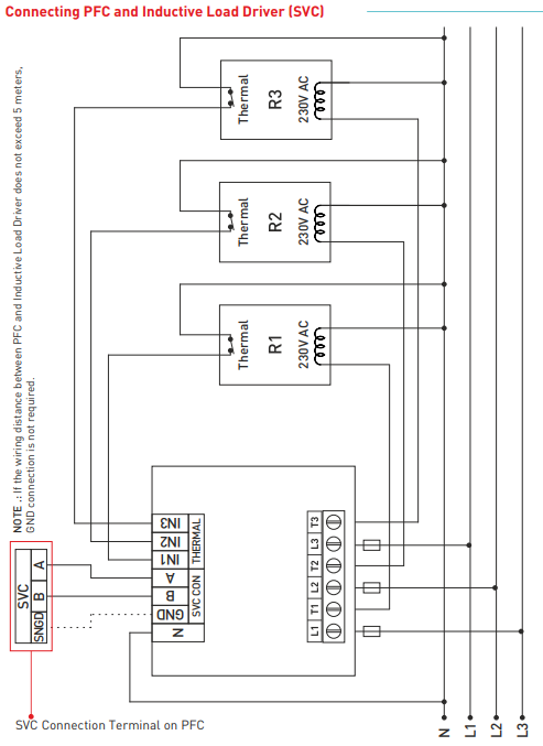
Reactive power relays are used to reduce the reactive power (inductive and capacitive) that is unused by the load and drawn from the grid. When inductive power is drawn from the grid, it intervenes by removing a capacitor of a suitable value. When capacitive power is drawn from the grid, it intervenes by removing a shunt inductor of the appropriate value. In this way, it attempts to reduce the inductive/active and capacitive/active speeds of the system. It was designed to enable reasonable compensation in unbalanced inductive and capacitive systems with the RGT-MT18 TCR stage.
Generator input and generator compensation
Voltage, harmonic current/voltage, inductive and capacitive alarm output
Turn-on, discharge and settling times can be set
Remote communication with RS485 (RS485 ModBus RTU)
-
Single-phase, two-phase and three-phase capacitors and shunt reactors can be connected
Harmonic voltage and current can be observed up to the 61st harmonic
Total energy (import/export) can be monitored
THD-V and THD-I values of each phase can be observed
Creating a performance analysis (20 samples 9999 min.) - for the selection of capacitors
Temperature alarm output
Demand recording (active and reactive power, apparent power and power demand)
Minimum, maximum and average current and voltage values of each phase can be monitored
current date and time
Online payment by card – After completing your order, you will be redirected to the payment portal. You will receive a payment confirmation via email.
Cash on delivery – You pay the amount according to the payment order directly to the transport company driver.
Bank transfer – You will receive a pro forma invoice by email no later than the next business day. This invoice contains the account number, which you will provide when making the payment.
On account – This payment method is available to partners who have concluded a framework agreement with our company.
If you would like to use one of the last two payment methods, please contact our manager. They will provide you with instructions on how to obtain an invoice with or without VAT.
The electrical appliances we supply meet high quality standards, come with a 24-month warranty, and comply with all EU requirements. In the event of a complaint, no return shipping fee is charged.
