RGT-12SVC - Reactive power controller 12 steps +TCR with RS485 ModBus RTU
Failed to load pickup availability
12-step + TCR reactive power controller with 2.9" graphic LCD display and RS-485 (TENSE)
The reactive power controller RGT-12SVC (TENSE) is a fully automatic device for optimal switching of compensation stages.
The digital processing of the values measured by the controller ensures high accuracy in the evaluation of effective voltage, current and power factor.
The device's installation is fully automatic—the controller itself determines the size of the individual connected compensation stages. These parameters can also be entered directly manually.
The controller connects and disconnects the compensation stages in such a way that the reactive power is controlled with a minimum number of switching operations. The controller takes into account the even load distribution of the individual stages and preferentially switches the stages that have been de-energized the longest and whose residual charge is minimal. During the control process, the compensation stages are continuously monitored in parallel – failures and value changes are detected, temporarily removed stages are periodically checked, and reincorporated into the control process as needed.
Generator input and generator compensation
Switch-on, discharge and settling times are adjustable
Remote communication with RS485 (RS485 ModBus RTU)
-
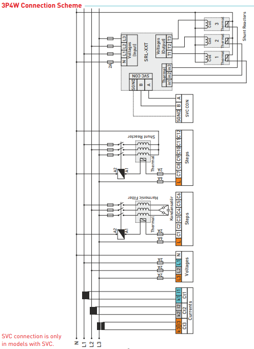
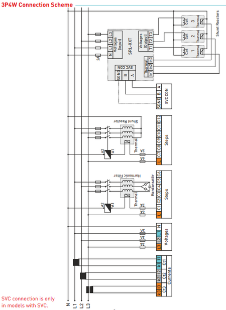
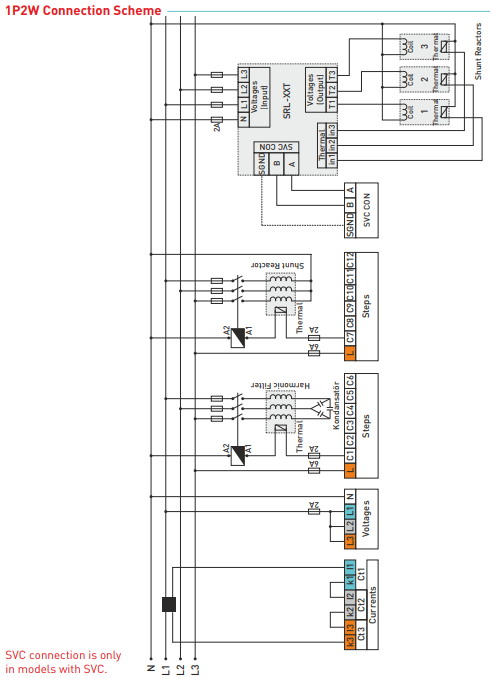
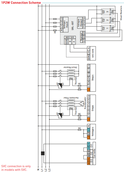
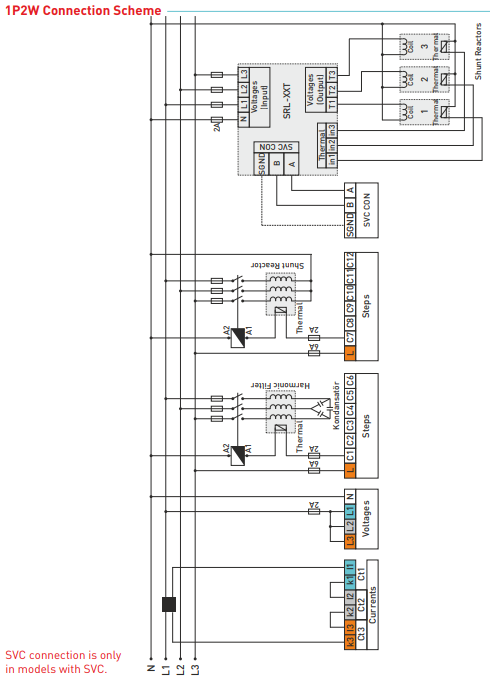
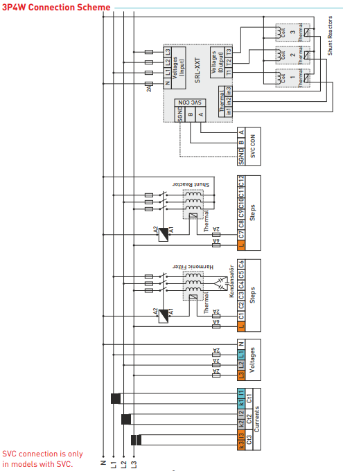
Single-phase, two-phase and three-phase capacitors and shunt reactors can be connected
Harmonic voltage and current can be observed up to 31 harmonics
Total energy (import/export) can be monitored
THD-V and THD-I values of each phase can be observed
Creating a performance analysis (20 samples 9999 min.) - for the selection of capacitors
Online payment by card – After completing your order, you will be redirected to the payment portal. You will receive a payment confirmation via email.
Cash on delivery – You pay the amount according to the payment order directly to the transport company driver.
Bank transfer – You will receive a pro forma invoice by email no later than the next business day. This invoice contains the account number, which you will provide when making the payment.
On account – This payment method is available to partners who have concluded a framework agreement with our company.
If you would like to use one of the last two payment methods, please contact our manager. They will provide you with instructions on how to obtain an invoice with or without VAT.
The electrical appliances we supply meet high quality standards, come with a 24-month warranty, and comply with all EU requirements. In the event of a complaint, no return shipping fee is charged.
