Network analyzer panel current, voltage, frequency, power, energy, RS485
Failed to load pickup availability
3-phase network parameter analyzer / network analyzer / network analyzer - multifunctional digital panel meter, current, voltage, frequency and total power display, with relay output, RS485 ModBus RTU - TPM-04SHDL manufacturer TENSE (Turkey) Panel Meter.
The power analyzers are designed for measuring and monitoring electrical values. Thanks to the communication function, energy measurements can be independently monitored and reported. The energy analyzers can be used to perform analyses such as energy quality, efficiency, and unit cost calculations.
Main advantages:
- RS485 Modbus RTU (1200-19200bps)
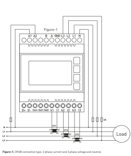
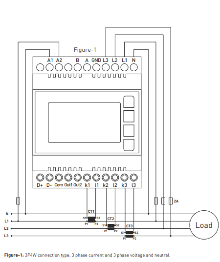
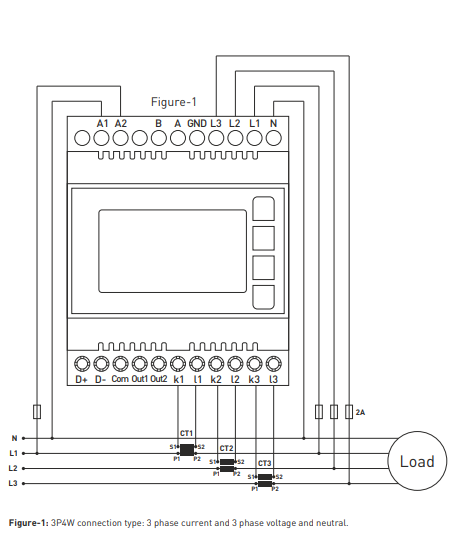
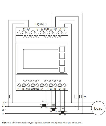
- 3-phase voltage transformer and 3-phase current transformer.
Display of voltage and current harmonics up to the 31st harmonic
Display of active power per phase (P)
Display of reactive power per phase (Q, inductive and capacitive)
Shows the apparent power per phase (S)
Displays the cosφ and power factor values of each phase
Displays the values of voltage (V) and current (I) between the phases and between the phases and measures the frequency
Display of the total values of imported and exported active energy (ΣkWh)
Display of the total values of inductive and capacitive reactive energy (ΣkVArh)
-
Display of minimum and maximum values, max.
2 relay outputs, 1 digital input
Event logs (high/low voltage/current, voltage/current unbalance, THD-I)
The menu is password protected.
This network analyzer is typically used with current transducers—60/5, 75/5, 100/5, 150/5, 200/5, 250/5, 300/5, 400/5, 500/5, 600/5, 800/5, 1000/5, 1500/5, or similar. If you want to connect the analyzer to ModBus, we can send you a register table with ModBus addresses upon request.
Online payment by card – After completing your order, you will be redirected to the payment portal. You will receive a payment confirmation via email.
Cash on delivery – You pay the amount according to the payment order directly to the transport company driver.
Bank transfer – You will receive a pro forma invoice by email no later than the next business day. This invoice contains the account number, which you will provide when making the payment.
On account – This payment method is available to partners who have concluded a framework agreement with our company.
If you would like to use one of the last two payment methods, please contact our manager. They will provide you with instructions on how to obtain an invoice with or without VAT.
The electrical appliances we supply meet high quality standards, come with a 24-month warranty, and comply with all EU requirements. In the event of a complaint, no return shipping fee is charged.
